Назначение
Коромысла универсальные 2КУ от Арматурно-Изоляторного Завода изготавливаются по ГОСТ Р 51177-2017.
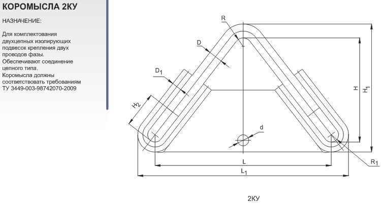
Таблица размеров
| Обозначение | Размер, мм | Масса, кг | Разрушающая нагрузка, кн (тс), не менее | |||||||||
| d | d1 | d | r | r1 | h | h1 | h2 | l | l1 | |||
| 2КУ-12-1 | 20 | 14 | 23 | 10 | 10 | 190 | 224 | 93 | 400 | 448 | 4,75 | 120(12) |
| 2КУ-12-2 | 20 | 14 | 30 | 10 | 10 | 315 | 359 | 110 | 600 | 648 | 9,8 | 120(12) |
| 2КУ-25-2 | 28 | 20 | 34 | 15 | 15 | 370 | 418 | 100 | 600 | 670 | 16,5 | 250(25) |
| 2КУ-30-1 | 28 | 20 | 34 | 15 | 15 | 213 | 261 | 94 | 450 | 518 | 8,6 | 300(30) |
| 2КУ-30-2 | 32 | 20 | 38 | 20 | 16,5 | 256 | 308 | 101 | 500 | 573 | 13,0 | 300(30) |
| 2КУ-45-1 | 36 | 24 | 42 | 20 | 18 | 183 | 243 | 100 | 400 | 484 | 10,3 | 450(45) |
| 2КУ-45-2 | 36 | 24 | 42 | 20 | 18 | 268 | 328 | 100 | 450 | 534 | 13,3 | 450(45) |
| 2КУ-60-1 | 42 | 28 | 47 | 20 | 21 | 360 | 430 | 110 | 600 | 698 | 28,5 | 600(60) |
| 2КУ-60-2 | 42 | 28 | 38 | 20 | 21 | 250 | 330 | 111 | 450 | 548 | 16,5 | 600(60) |
| 2КУ-60-3 | 42 | 28 | 47 | 20 | 21 | 220 | 290 | 111 | 400 | 456 | 13,5 | 600(60) |
| 2КУ-75-1 | 42 | 32 | 52 | 25 | 21,5 | 270 | 344 | 100 | 400 | 507 | 15,8 | 750(75) |
| 2КУ-75-2 | 42 | 32 | 52 | 25 | 21,5 | 270 | 344 | 100 | 550 | 657 | 22,0 | 750(75) |
| 2КУ-90-1 | 48 | 34 | 38 | 29 | 25 | 352 | 434 | 119 | 600 | 710 | 31,8 | 900(90) |
| 2КУ-120-1 | 60 | 38 | — | 35 | 23,5 | 396 | 494 | 118,5 | 400 | 524 | 30,0 | 1200(120) |
| 2КУ-120-2 | 56 | 38 | 67 | 30 | 29 | 640 | 734 | 120 | 1100 | 1234 | 101,0 | 1200(120) |
| 2КУ-135-1 | 60 | 40 | — | 36 | 26 | 396 | 494 | 155 | 600 | 732 | 44,8 | 1350(135) |
| 2КУ-180-1 | 70 | 48 | — | 40 | 28 | 412 | 530 | 132 | 600 | 752 | 67,0 | 1800(180) |
| 2КУ-270-2 | 85 | 60 | — | 55 | 36 | 590 | 735 | 185 | 600 | 792 | 129,53 | 2700(270) |




















Отзывы
Отзывов пока нет.