Назначение
Для устранения короны на арматуре и снижения неравномерности напряжения по гирлянде изоляторов.
Таблица размеров
| Наименование | Применяются на арматуре | D | Масса, кг |
| ЭЗ-500-1А | На узлах типа УКЭ с трубой диаметром 48 мм | 1300 | 4,48 |
| ЭЗ-500-5 | На ушках У1 и УС | – | 2,1 |
| ЭЗ-500-6 | На ушках У1 и УС | 660 | 4,33 |
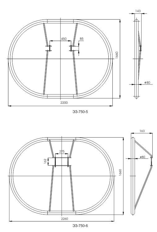
| ЭЗ-750-1А | На узлах типа УКЭ с трубой диаметром 48 мм | 1640 | 11,5 |
| ЭЗ-750-2 | На трубе диаметром 140 мм | 880 | 11,17 |
| ЭЗ-750-3 | На узлах типа УКЭ с трубой диаметром 48 мм | 880 | 11,15 |
| ЭЗ-750-4А | На ушках У1, У2 и УС | 1640 | 12,81 |
| ЭЗ-750-3/4-4 | На ушках У1 и У2 | 1660 | 15,21 |
| ЭЗ-750-5 | На подвесах 3П6Р-30-2, 4П6Р-90-2, 4П6Р-90-3 | – | 22,03 |
| ЭЗ-750-6 | На подвесах 3П6Р-30-2, 4П6Р-90-2, 4П6Р-90-3 | – | 22,51 |
| ЭЗ-750-8 | На зажимах 3ПГН2-8-1, 4ПГН2-8-2 | – | 11,38 |
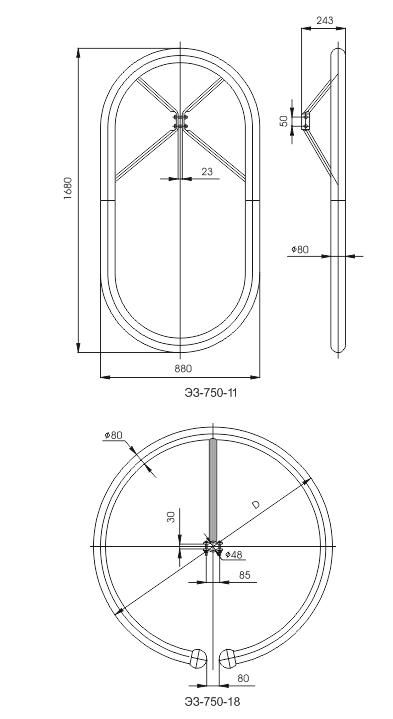
| ЭЗ-750-18 | На узлах типа УКЭ с трубой диаметром 48 мм | 1500 | 16,8 |
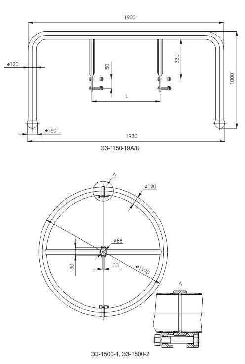
| ЭЗ-1150-1 | На узлах типа УКЭ с трубой диаметром 48 мм | 2080 | 24,55 |
| ЭЗ-1150-8 | На роликовых подвесах типа П6Р | – | 17,29 |
| ЭЗ-1150-9 | На балке многороликового подвеса 5П6Р-150-1 | – | 12,15 |
| ЭЗ-1150-22 | На ушке УС-21-20 | 1620 | 29,7 |






























Отзывы
Отзывов пока нет.